E-onus

P-Type R500 Audi Hub Motor

P-Type R500 E-Cargo Bike centrum motoris posterioris maxime designatum ad applicationem onerariam, iactat vim aestimatam 500W, validam et stabilem potestatem tradens propter onera gravia onera et longum spatium onerandum. Efficens ac stabilis praestat observantia in complexis urbanis condicionibus, in clivis, vel plene oneratis, signanter efficientiam augendi mercium. Accedit, industriam consummationem in campestribus locis minuit et ad celeritates superiores, altiore cyclo efficientiam augens.

Clavis Parameter
Motrix structura: Rated Voltage(V); Rated Power(W);
Tergo-Coegi Hub Motor 36-48 350-500
Apicem Torque (N.m.); Pondus (KG); ANTIQUA (mm):
50 3.85 160
detail informationes
  • P-Type R500 Audi Hub Motor
  • P-Type R500 Audi Hub Motor
Ningbo Yinzhou HENTACH Electromechanical Co., Ltd. Product Parameters Ningbo Yinzhou HENTACH Electromechanical Co., Ltd. Drawing Ningbo Yinzhou HENTACH Electromechanical Co., Ltd. Contact Us

Caput Data

Aestimavit potestatem 350-500
Rated voltage 36-48
Rota diam 20-26
Celeritas range 25-35
Maximum torque 50
Ratio calces 5
Pondus (KG) 3.85

Parameters institutionem

Fregit Discus fregit
Torque sensorem cassette No
Cabling Route Axem Central Left
locutus est foramen 2-18-Ф3.2
IMPERVIUS rating IP54 (usque ad IP65)
Flywheel / Sprocket rota Gyratorius 7-celeritate
Testimonia TUV/EN15194/RoHS

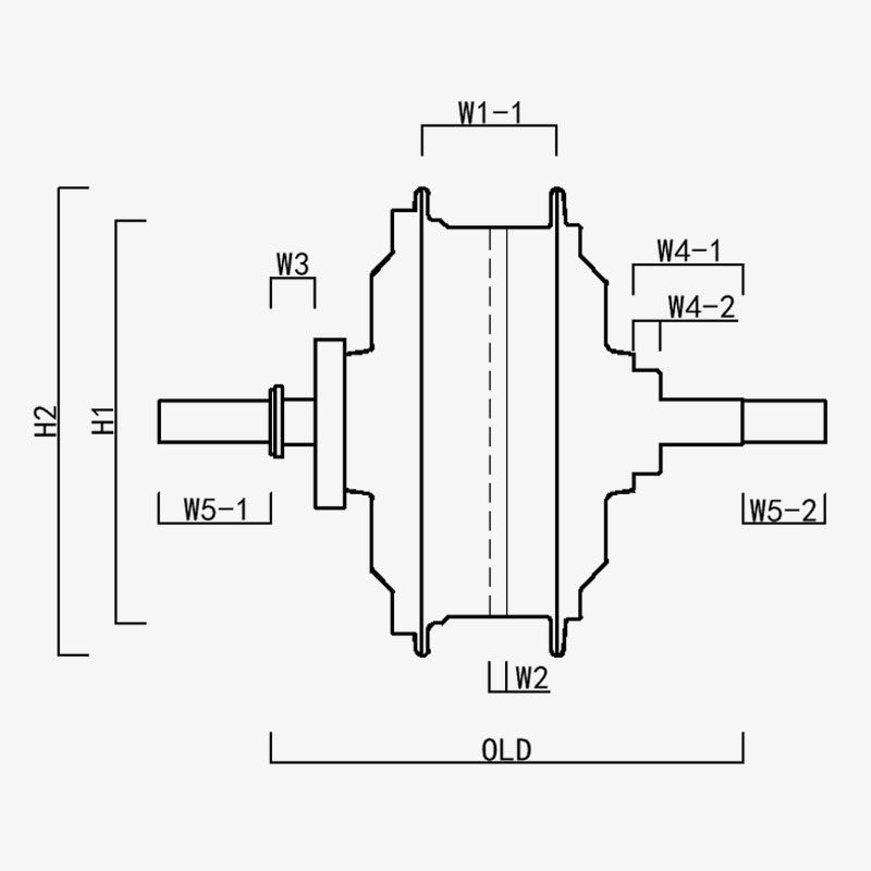
H1/ OD: 136.5
H2/Motor OD: 158.5
W1(-1/-2); 45.5
W2: 6
W3: 15
W4(-1/-2); 37/9
W5(-1/-2); 38/28
VETUS: 160
Axem Longitudo 226
Ningbo Yinzhou HENTACH Electromechanical Co., Ltd.
contact us
  • Submit et mitte
Ningbo Yinzhou HENTACH Electromechanical Co., Ltd.
QUOD US SEPARATUS
  • Potens tergo-coegi centrum motoris specialiter designatum ad electricum cursoriam fatigationem pinguium adiuvandam, cum velocitate rotary volantis, 160mm calces aperturae, et potentia aestimata usque ad 500w.

  • Plastic ferrum calces patented: 5 temporibus torques nylon anni; spatium vitae maius quam 40.000 chiliometra; Infra post-venditio

  • Aureus armenti plus quam 50NM, eCargo nominatim destinatus.

QUI NOS? Plus quam XX annis productionis usus.

Ningbo Yinzhou HENTACH Electromechanical Co., Ltd. (olim Hengtai Motor) anno 1995 constituti et olim "Hengtai Motor" (nomen societatis nostrae Sinensium) publice suscepimus nomen Anglicum "HENTACH Motor" anno 2020. Utraque nomina eandem fabricam creditam innovationi electromechanicae per XXX annos dicatam repraesentant. Specialiter in dejectione et praecisione processus minimarum DC motorum, motorcycle motorcycli centrum motorum electrici, et admixtionum aluminium-magnesium pro vehiculis electricis, coniungimus rigorem ISO 9001 qualitatem temperantiae, administrationis exercitiorum maturam, et apparatum fabricandi / probationis ad certas solutiones liberandas.

Cum facultatibus integris, a materia prima fusa ad productum finale traditum, variis mercatibus servimus, inter quos birotae electricae, vehicula oneraria, vehicula automatica automataria (AGV), currus golfarios, machinae agriculturae, et cursus karting electrici. Nostra area plus quam 9 000² (5 000² area constructa) plus quam 60 unitates instrumentorum productionis provectorum continet, inter quas machinae fusae sub pressione 500 tonnarum, machinae instrumenta CNC praecisionis, systemata signandi laseris, lineae oxidationis micro-arcus, et duae mensae probationis motorum vehiculorum electricorum dedicatae. Haec infrastructura productionem efficientem et strictam observationem normarum qualitatis internationalium praestat.

Apud HENTACH (Hengtai), nos prioritizamus materias qualitates et technologiam proprietariam-nostrum nylon-ferrum calces patented testamentum est nostrae excellentiae machinalis. Ad vetustatem convalidandam, semel programma motorum 30,000 millia passuum excedentem semel passibus cautionem immiserunt. Consequuntur? Plus 50 motores non solum huic probationi convenerunt, sed eum superaverunt, cum nonnullis 50,000 milliaribus infigo attingentes. Haec realis-mundi effectio focus in firmitate nostra indeclinabilem reflectit et nos movet ut continenter innovationem ad solutiones mundiores, fortiores motores.
Fiducia notae globally notae sicut et Hengtai Motor et HENTACH Motoris, ubi ferrum calces innovationis patentes vetustatem probatam invenit.

Certified By Testimonia