Viam / E-via

HT MINI2 THRU CUPPA Audi Hub Motor

HT MINI2 7mm motor centrum thru-axe destinatur ad summum viae bicycli et ad axem ebike urbis. Axem 7mm thru-axuli designat, compatibilis cum 10mm et 12mm axibus, tantum 1.75kg (sine cassette). The 135mm dropout design and 35Nm torque ensure high performance. Funem sinistrum latus exitus optimizat ac stabilitatem et salutem auget administratio. Instructus annis plastic-ferro patentibus, motor quinque vicibus robur anni nylonis praebet, super 40.000 km durans et gratuita sustentationem minuens. Externus rotor designans errores cumulativos minimizat, altiores vires ac vetustatem procurans.

Clavis Parameter
Motrix structura: Rated Voltage(V); Rated Power(W);
Praecursor Hub Motor 36-48 180-220
Apicem Torque (N.m.); Pondus (KG); VETUS (mm);
35 1.95(Cum Cassette) 135
detail informationes
  • HT MINI2 THRU CUPPA Audi Hub Motor
  • HT MINI2 THRU CUPPA Audi Hub Motor
Ningbo Yinzhou HENTACH Electromechanical Co., Ltd. Product Parameters Ningbo Yinzhou HENTACH Electromechanical Co., Ltd. Drawing Ningbo Yinzhou HENTACH Electromechanical Co., Ltd. Contact Us

Caput Data

Aestimavit potestatem 180-220
Rated voltage 36-48
Rota diam 20-28
Celeritas range 25-32
Maximum torque 35
Ratio calces 5
Pondus (KG) 1.95(Cum Cassette)

Parameters institutionem

Fregit orbis fregit
Torque sensorem cassette Praesto
Cabling Route Axem Parte Left
locutus est foramen 2-18-Ф3.2
IMPERVIUS rating IP54 (usque ad IP65)
Flywheel / Sprocket rota Cassette 7-12speed
Testimonia TUV/EN15194/RoHS

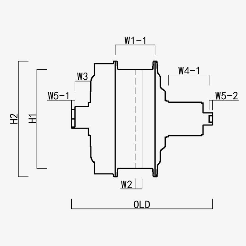
H1/ OD: 99.7
H2/Motor OD: 116.7
W1(-1/-2); 40
W2: 7
W3: 15.25
W4(-1/-2); 42.5
W5(-1/-2); 3.5
VETUS: 135
Axem Longitudo 142
Ningbo Yinzhou HENTACH Electromechanical Co., Ltd.
contact us
  • Submit et mitte
Ningbo Yinzhou HENTACH Electromechanical Co., Ltd.
QUOD US SEPARATUS
  • Plastic ferro calces patented: 5 temporibus torques nylon calces; spatium vitae maius quam 40,000 km; Infra post-Sales ministerium

  • Motor externus: magis stabilior structura et minus defectus rate comparati rotori interno

  • 7mm dolii axem 10mm dolii structuram axem 10mm, leviorem et minorem, cum 135mm apertione calces accommodari potest, et torquem 35NM consequi potest.

QUI NOS? Plus quam XX annis productionis usus.

Ningbo Yinzhou HENTACH Electromechanical Co., Ltd. (olim Hengtai Motor) anno 1995 constituti et olim "Hengtai Motor" (nomen societatis nostrae Sinensium) publice suscepimus nomen Anglicum "HENTACH Motor" anno 2020. Utraque nomina eandem fabricam creditam innovationi electromechanicae per XXX annos dicatam repraesentant. Specialiter in dejectione et praecisione processus minimarum DC motorum, motorcycle motorcycli centrum motorum electrici, et admixtionum aluminium-magnesium pro vehiculis electricis, coniungimus rigorem ISO 9001 qualitatem temperantiae, administrationis exercitiorum maturam, et apparatum fabricandi / probationis ad certas solutiones liberandas.

Cum facultatibus integris, a materia prima fusa ad productum finale traditum, variis mercatibus servimus, inter quos birotae electricae, vehicula oneraria, vehicula automatica automataria (AGV), currus golfarios, machinae agriculturae, et cursus karting electrici. Nostra area plus quam 9 000² (5 000² area constructa) plus quam 60 unitates instrumentorum productionis provectorum continet, inter quas machinae fusae sub pressione 500 tonnarum, machinae instrumenta CNC praecisionis, systemata signandi laseris, lineae oxidationis micro-arcus, et duae mensae probationis motorum vehiculorum electricorum dedicatae. Haec infrastructura productionem efficientem et strictam observationem normarum qualitatis internationalium praestat.

Apud HENTACH (Hengtai), nos prioritizamus materias qualitates et technologiam proprietariam-nostrum nylon-ferrum calces patented testamentum est nostrae excellentiae machinalis. Ad vetustatem convalidandam, semel programma motorum 30,000 millia passuum excedentem semel passibus cautionem immiserunt. Consequuntur? Plus 50 motores non solum huic probationi convenerunt, sed eum superaverunt, cum nonnullis 50,000 milliaribus infigo attingentes. Haec realis-mundi effectio focus in firmitate nostra indeclinabilem reflectit et nos movet ut continenter innovationem ad solutiones mundiores, fortiores motores.
Fiducia notae globally notae sicut et Hengtai Motor et HENTACH Motoris, ubi ferrum calces innovationis patentes vetustatem probatam invenit.

Certified By Testimonia