E-via / E-urbe

HT Mini Freewheel Audi Hub Motor

HT Mini sequela in motore Freewheel centrum e-civitatis et viae cursoriae destinatur, ut unum ex minimis motoribus rotoris centrum extra forum. Compatitur cum 36V ad 48V systemata altilium, tantum 1.95kg pensat, et vim aestimatam 220W cum super 30Nm torques praebet. Motor motor usque ad 250W cum armenti torques 40Nm attingere potest. Eius consilium externum rotoris errores cumulativos minuit, vires auget, stabilitatem et vetustatem minuit.

Clavis Parameter
Motrix structura: Rated Voltage(V); Rated Power(W);
Praecursor Hub Motor 36-48 180-250
Apicem Torque (N.m.); Pondus (KG); VETUS (mm);
40 1.95(220w) 135
detail informationes
  • HT Mini Freewheel Audi Hub Motor
  • HT Mini Freewheel Audi Hub Motor
Ningbo Yinzhou HENTACH Electromechanical Co., Ltd. Product Parameters Ningbo Yinzhou HENTACH Electromechanical Co., Ltd. Drawing Ningbo Yinzhou HENTACH Electromechanical Co., Ltd. Contact Us

Caput Data

Aestimavit potestatem 180-250
Rated voltage 36-48
Rota diam 20-28
Celeritas range 25-38
Maximum torque 40
Ratio calces 5
Pondus (KG) 1.95(220w)

Parameters institutionem

Fregit Discus fregit
Torque sensorem cassette No
Cabling Route Axem Central Ius
locutus est foramen 2-18-Ф3.2
IMPERVIUS rating IP54 (usque ad IP65)
Flywheel / Sprocket rota Gyratorius 7-celeritate
Testimonia TUV/EN15194/RoHS

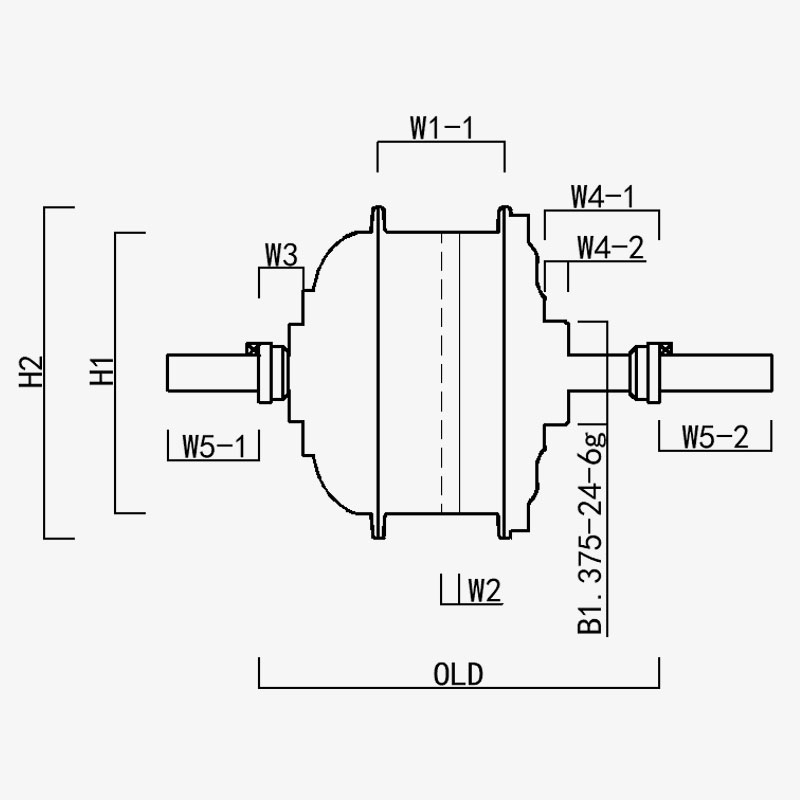
H1/ OD: 95.5
H2/Motor OD: 112.5
W1(-1/-2); 43
W2: 6
W3: 15
W4(-1/-2); 39/9
W5(-1/-2); 31/39
VETUS: 135
Axem Longitudo 205
Ningbo Yinzhou HENTACH Electromechanical Co., Ltd.
contact us
  • Submit et mitte
Ningbo Yinzhou HENTACH Electromechanical Co., Ltd.
QUOD US SEPARATUS
  • Motor exteriorem diametrum habet 95mm, cum velocitate gyratoria musca 7-, pondo tantum 1.95kg, motoris rotoris exterioris levis, potentia 250w aestimata, et torques equilis usque ad 40NM. A e-cursoriam socium.

  • Plastic ferrum calces patented: 5 temporibus torques nylon anni; spatium vitae maius quam 40.000 chiliometra; Infra post-venditio

  • Exterior rotor motor: firmior structura quam interior rotor, minus defectum rate

QUI NOS? Plus quam XX annis productionis usus.

Ningbo Yinzhou HENTACH Electromechanical Co., Ltd. (olim Hengtai Motor) anno 1995 constituti et olim "Hengtai Motor" (nomen societatis nostrae Sinensium) publice suscepimus nomen Anglicum "HENTACH Motor" anno 2020. Utraque nomina eandem fabricam creditam innovationi electromechanicae per XXX annos dicatam repraesentant. Specialiter in dejectione et praecisione processus minimarum DC motorum, motorcycle motorcycli centrum motorum electrici, et admixtionum aluminium-magnesium pro vehiculis electricis, coniungimus rigorem ISO 9001 qualitatem temperantiae, administrationis exercitiorum maturam, et apparatum fabricandi / probationis ad certas solutiones liberandas.

Cum facultatibus integris, a materia prima fusa ad productum finale traditum, variis mercatibus servimus, inter quos birotae electricae, vehicula oneraria, vehicula automatica automataria (AGV), currus golfarios, machinae agriculturae, et cursus karting electrici. Nostra area plus quam 9 000² (5 000² area constructa) plus quam 60 unitates instrumentorum productionis provectorum continet, inter quas machinae fusae sub pressione 500 tonnarum, machinae instrumenta CNC praecisionis, systemata signandi laseris, lineae oxidationis micro-arcus, et duae mensae probationis motorum vehiculorum electricorum dedicatae. Haec infrastructura productionem efficientem et strictam observationem normarum qualitatis internationalium praestat.

Apud HENTACH (Hengtai), nos prioritizamus materias qualitates et technologiam proprietariam-nostrum nylon-ferrum calces patented testamentum est nostrae excellentiae machinalis. Ad vetustatem convalidandam, semel programma motorum 30,000 millia passuum excedentem semel passibus cautionem immiserunt. Consequuntur? Plus 50 motores non solum huic probationi convenerunt, sed eum superaverunt, cum nonnullis 50,000 milliaribus infigo attingentes. Haec realis-mundi effectio focus in firmitate nostra indeclinabilem reflectit et nos movet ut continenter innovationem ad solutiones mundiores, fortiores motores.
Fiducia notae globally notae sicut et Hengtai Motor et HENTACH Motoris, ubi ferrum calces innovationis patentes vetustatem probatam invenit.

Certified By Testimonia