eMTB / E-onus

E-Type Pro RF750 Rear Hub Motor

E-Type Pro RF750 Rear Hub Motor designatus est pro E-Cargo et E-MTB bikes, compatibile cum 7-celeritate filo in libero rota et 135mm VETERA. Potentia aestimata est 750W cum supra 85Nm de torque, onera alta et implicata loca facile tractans. Instructus annis patentibus plastic-ferro, motor 5 temporibus facultatem praebet torques anni nylon, per 40.000 km durans et signanter ad sustentationem gratuita reducendo. Sive in collibus praeruptis, asperis callibus, sive onerariis gravibus onerariis, eximiae ascensionis facultatem et instantiam accelerat.

Clavis Parameter
Motrix structura: Rated Voltage(V); Rated Power(W);
Tergo-Coegi Hub Motor 36-48 350-750
Apicem Torque (N.m.); Pondus (KG); ANTIQUA (mm):
85 5.5 137
detail informationes
  • E-Type Pro RF750 Rear Hub Motor
  • E-Type Pro RF750 Rear Hub Motor
Ningbo Yinzhou HENTACH Electromechanical Co., Ltd. Product Parameters Ningbo Yinzhou HENTACH Electromechanical Co., Ltd. Drawing Ningbo Yinzhou HENTACH Electromechanical Co., Ltd. Contact Us

Caput Data

Aestimavit potestatem 350-750
Rated voltage 36-48
Rota diam 20-28
Celeritas range 25-38
Maximum torque 85
Ratio calces 5.27
Pondus (KG) 5.5

Parameters institutionem

Fregit Discus fregit
Torque sensorem cassette No
Cabling Route Axem Parte Left
locutus est foramen 2-18-Ф3.2
IMPERVIUS rating IP54 (usque ad IP65)
Flywheel / Sprocket rota Gyratorius 7-celeritate
Testimonia TUV/EN15194/RoHS

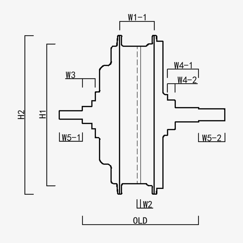
H1/ OD: 167
H2/Motor OD: 187
W1(-1/-2); 40.8
W2: 4.15
W3: 15.2
W4(-1/-2); 37/9
W5(-1/-2); 27/31
VETUS: 137
Axem Longitudo 195
Ningbo Yinzhou HENTACH Electromechanical Co., Ltd.
contact us
  • Submit et mitte
Ningbo Yinzhou HENTACH Electromechanical Co., Ltd.
QUOD US SEPARATUS
  • Hub motore validum tergo-coegi, cum 7-celeritate flywheel gyratorium, 135mm aperiens calces, aptabilitas superior, et potentiam aestimavit usque ad 750w.

  • Plastic ferro calces patented: 5 temporibus torques nylon calces; spatium vitae maius quam 40.000 chiliometra; Infra post-venditio

  • Stall Aureus usque ad 85NM, specialiter destinatus eMTB/Cargo.

QUI NOS? Plus quam XX annis productionis usus.

Ningbo Yinzhou HENTACH Electromechanical Co., Ltd. (olim Hengtai Motor) anno 1995 constituti et olim "Hengtai Motor" (nomen societatis nostrae Sinensium) publice suscepimus nomen Anglicum "HENTACH Motor" anno 2020. Utraque nomina eandem fabricam creditam innovationi electromechanicae per XXX annos dicatam repraesentant. Specialiter in dejectione et praecisione processus minimarum DC motorum, motorcycle motorcycli centrum motorum electrici, et admixtionum aluminium-magnesium pro vehiculis electricis, coniungimus rigorem ISO 9001 qualitatem temperantiae, administrationis exercitiorum maturam, et apparatum fabricandi / probationis ad certas solutiones liberandas.

Cum facultatibus integris, a materia prima fusa ad productum finale traditum, variis mercatibus servimus, inter quos birotae electricae, vehicula oneraria, vehicula automatica automataria (AGV), currus golfarios, machinae agriculturae, et cursus karting electrici. Nostra area plus quam 9 000² (5 000² area constructa) plus quam 60 unitates instrumentorum productionis provectorum continet, inter quas machinae fusae sub pressione 500 tonnarum, machinae instrumenta CNC praecisionis, systemata signandi laseris, lineae oxidationis micro-arcus, et duae mensae probationis motorum vehiculorum electricorum dedicatae. Haec infrastructura productionem efficientem et strictam observationem normarum qualitatis internationalium praestat.

Apud HENTACH (Hengtai), nos prioritizamus materias qualitates et technologiam proprietariam-nostrum nylon-ferrum calces patented testamentum est nostrae excellentiae machinalis. Ad vetustatem convalidandam, semel programma motorum 30,000 millia passuum excedentem semel passibus cautionem immiserunt. Consequuntur? Plus 50 motores non solum huic probationi convenerunt, sed eum superaverunt, cum nonnullis 50,000 milliaribus infigo attingentes. Haec realis-mundi effectio focus in firmitate nostra indeclinabilem reflectit et nos movet ut continenter innovationem ad solutiones mundiores, fortiores motores.
Fiducia notae globally notae sicut et Hengtai Motor et HENTACH Motoris, ubi ferrum calces innovationis patentes vetustatem probatam invenit.

Certified By Testimonia