E-FAT / E-MARGO

S-Type Pro F1500 Ante Hub Motor

S-Type Pro F1500 ante centrum motoris, E-Carao et E-Fat cursoriis destinatum, potentiam aestimavit ab 750W ad 1500W et in torques apicem 145Nm. lt auget humilis celeritatem tractus et facultatem scandendi in provocando loca, potentiam appellandi defectus in applicationibus summi oneris. Instructus cum HENTACH' annis patentibus plasticae chalybeis quinquies fortioribus quam nylon anniculis, motores supra 1000W aestimatos sustinet, ubi nylon anni traditi sub torquibus supra 100Nm. celeriter fatigabuntur.

Clavis Parameter
Motrix structura: Rated Voltage(V); Rated Power(W);
Apparatus Praecursor Hub Motor 48-60 750-1500
Apicem Torque (N.m.); Pondus (KG); ANTIQUA (mm):
145 5.5 190
detail informationes
  • S-Type Pro F1500 Ante Hub Motor
  • S-Type Pro F1500 Ante Hub Motor
Ningbo Yinzhou HENTACH Electromechanical Co., Ltd. Product Parameters Ningbo Yinzhou HENTACH Electromechanical Co., Ltd. Drawing Ningbo Yinzhou HENTACH Electromechanical Co., Ltd. Contact Us

Caput Data

Aestimavit potestatem 750-1500
Rated voltage 48-72
Rota diam 20-26
Celeritas range 25-65
Maximum torque 145
Ratio calces 5
Pondus (KG) 5.5

Parameters institutionem

Fregit Disc Brake
Torque sensorem cassette No
Cabling Route Axem latus ius
locutus est foramen 2-18-Ф3.5
IMPERVIUS rating IP54 (usque ad IP65)
Flywheel / Sprocket rota /
Testimonia TUV/EN15194/RoHS

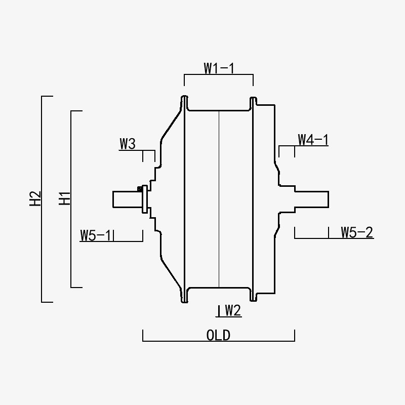
H1/ OD: 157
H2/Motor OD: 183
W1(-1/-2); 60.9
W2: 0
W3: 11
W4(-1/-2); 14.1
W5(-1/-2); 26/30
VETUS: 135
Axem Longitudo 191
Ningbo Yinzhou HENTACH Electromechanical Co., Ltd.
contact us
  • Submit et mitte
Ningbo Yinzhou HENTACH Electromechanical Co., Ltd.
QUOD US SEPARATUS
  • Potens anterius motoriis motoriis, 135mm calces aperiens, potentiam usque ad 1500w aestimavit.

  • Plastic ferro calces patented: 5 temporibus torques nylon calces; spatium vitae maius quam 40.000 chiliometra; Infra post-venditio

  • Stall Aureus usque ad 145NM, efat specialiter dispositus/Cargo.

QUI NOS? Plus quam XX annis productionis usus.

Ningbo Yinzhou HENTACH Electromechanical Co., Ltd. (olim Hengtai Motor) anno 1995 constituti et olim "Hengtai Motor" (nomen societatis nostrae Sinensium) publice suscepimus nomen Anglicum "HENTACH Motor" anno 2020. Utraque nomina eandem fabricam creditam innovationi electromechanicae per XXX annos dicatam repraesentant. Specialiter in dejectione et praecisione processus minimarum DC motorum, motorcycle motorcycli centrum motorum electrici, et admixtionum aluminium-magnesium pro vehiculis electricis, coniungimus rigorem ISO 9001 qualitatem temperantiae, administrationis exercitiorum maturam, et apparatum fabricandi / probationis ad certas solutiones liberandas.

Cum facultatibus integris, a materia prima fusa ad productum finale traditum, variis mercatibus servimus, inter quos birotae electricae, vehicula oneraria, vehicula automatica automataria (AGV), currus golfarios, machinae agriculturae, et cursus karting electrici. Nostra area plus quam 9 000² (5 000² area constructa) plus quam 60 unitates instrumentorum productionis provectorum continet, inter quas machinae fusae sub pressione 500 tonnarum, machinae instrumenta CNC praecisionis, systemata signandi laseris, lineae oxidationis micro-arcus, et duae mensae probationis motorum vehiculorum electricorum dedicatae. Haec infrastructura productionem efficientem et strictam observationem normarum qualitatis internationalium praestat.

Apud HENTACH (Hengtai), nos prioritizamus materias qualitates et technologiam proprietariam-nostrum nylon-ferrum calces patented testamentum est nostrae excellentiae machinalis. Ad vetustatem convalidandam, semel programma motorum 30,000 millia passuum excedentem semel passibus cautionem immiserunt. Consequuntur? Plus 50 motores non solum huic probationi convenerunt, sed eum superaverunt, cum nonnullis 50,000 milliaribus infigo attingentes. Haec realis-mundi effectio focus in firmitate nostra indeclinabilem reflectit et nos movet ut continenter innovationem ad solutiones mundiores, fortiores motores.
Fiducia notae globally notae sicut et Hengtai Motor et HENTACH Motoris, ubi ferrum calces innovationis patentes vetustatem probatam invenit.

Certified By Testimonia